Панель левая 533Н-33-сб102 215

ООО "Трейдтрансгрупп" предлагает запчасти для спецтехники МКСМ
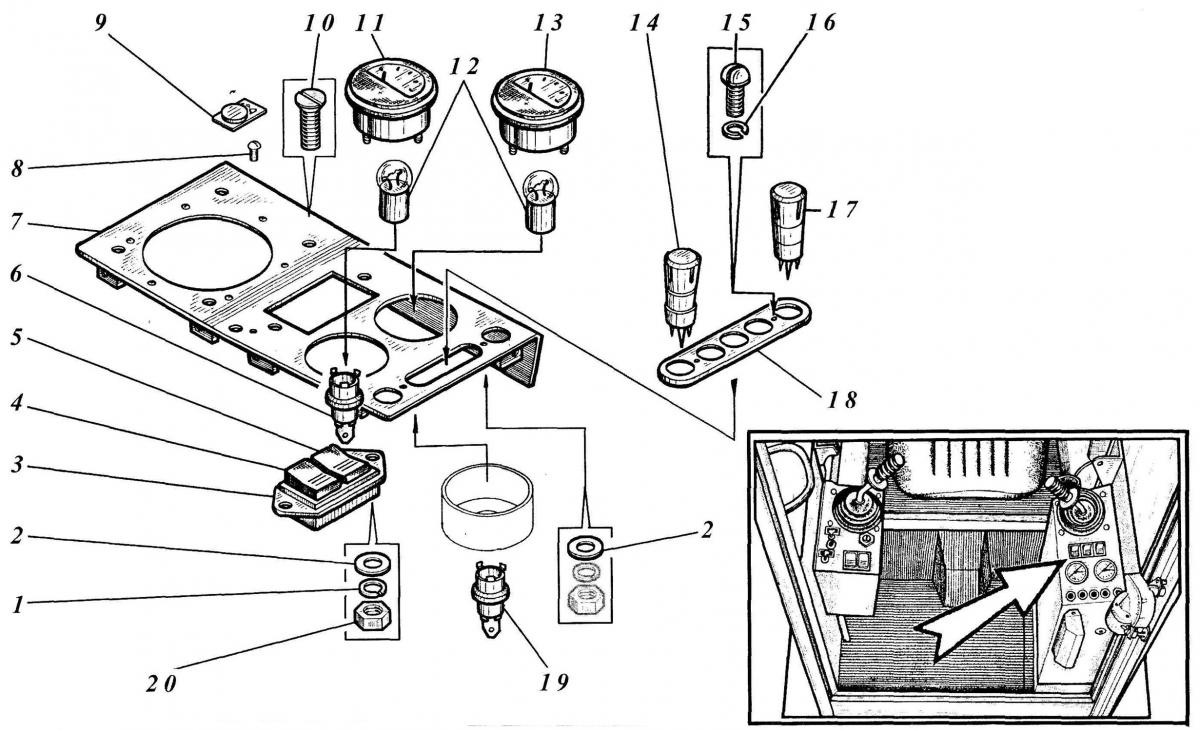
| Позиция на рисунке | Артикул | Наименование | Цена | |
|---|---|---|---|---|
| 2 | 11371 5.01.0118 или | Шайба | дог. | |
| 14 | 121.3803010 | Фонарь контрольной лампы | дог. | |
| 4 | П147-02.05 | Переключатель | дог. | |
| 11 | УК145-А | Приёмник указателя температуры | дог. | |
| 12 | А12-1 | Лампа | дог. | |
| 17 | 12.3803010 | Фонарь контрольной лампы | дог. | |
| 18 | 533-0-62-33-310-1К | Панель | дог. | |
| 20 | 5915М5-6Н.6.016 | Гайка | дог. | |
| 5 | П147-02.27 | Переключатель | дог. | |
| 6 | ПП 158 | Патрон | дог. | |
| 7 | 533Н-33-сбЮ4 | Панель | дог. | |
| 9 | 22 1000 32 07 00 | Мини регулятор | дог. | |
| 10 | 17475 M5-6gxl6.88.016 | Винт | дог. | |
| 13 | 13.3806 | Приёмник указателя уровня топлива | дог. | |
| 15 | 17473 M3-6gx 10.48.016 | Винт | дог. | |
| 19 | ЛВ-211-3714329 | Патрон со штекером | дог. |
