ПАНЕЛЬ ЛЕВАЯ 533-9-62-33-302-4К 201

ООО "Трейдтрансгрупп" предлагает запчасти для спецтехники МКСМ
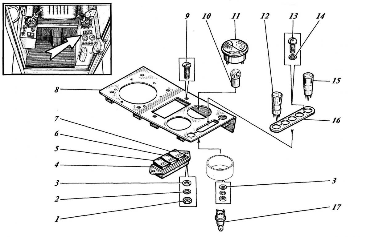
| Позиция на рисунке | Артикул | Наименование | Цена | |
|---|---|---|---|---|
| 4 | 533-0-62-33-313-1К | Обойма | дог. | |
| 5 | П147-04.11 | Переключатель | дог. | |
| 7 | Ш47-02.27 | Переключатель | дог. | |
| 8 | 533-9-62-33-303-1К | Панель | дог. | |
| 9 | 17475 M5-6gx 16.48.016 | Винт | дог. | |
| 17 | ПП158 | Патрон | дог. |
