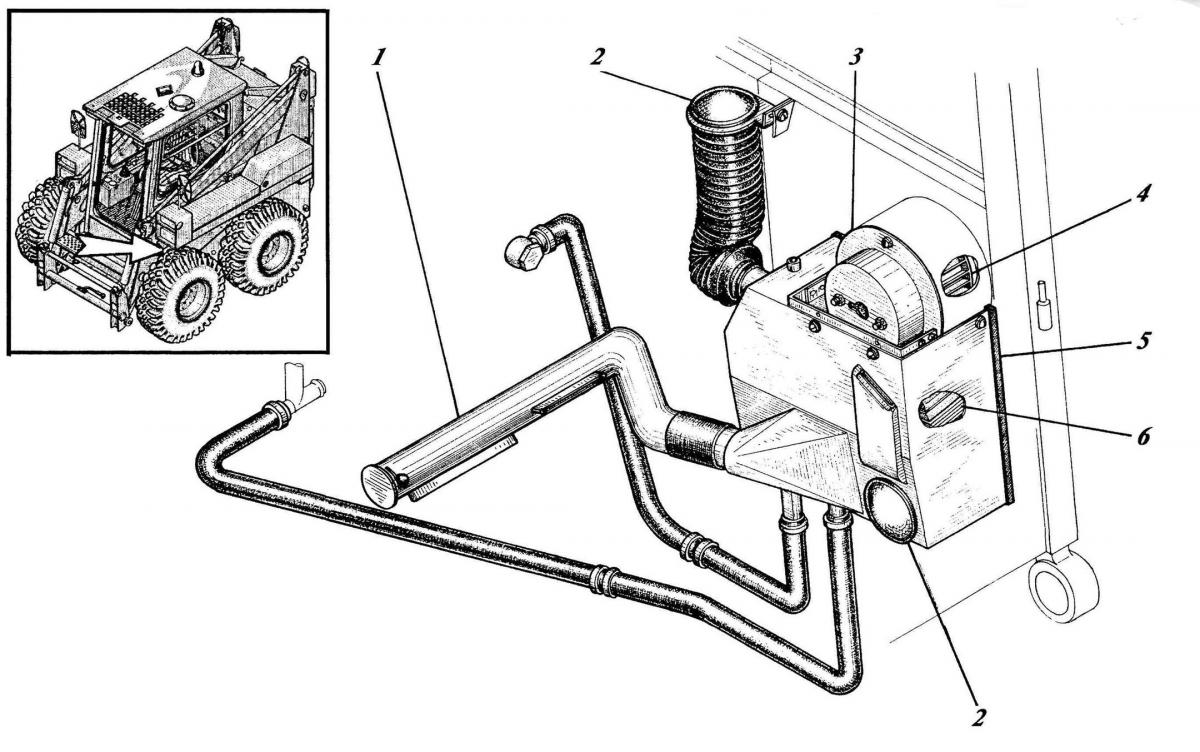
ОТОПЛЕНИЕ 533-9-62-37-000-2К 152

ООО "Трейдтрансгрупп" предлагает запчасти для спецтехники МКСМ