ОТОПИТЕЛЬ АВТОНОМНЫЙ ТМ140-84-сб1 218

Купить запчасти для ОТОПИТЕЛЯ АВТОНОМНОГО ТМ140-84-сб1 218 вы можете в компании ООО «ТрейдТрансГрупп». Запчасть подходит для спецтехники ТМ 140 и обеспечивает стабильную работу даже при высокой нагрузке. Предлагаем качественные комплектующие, помощь в подборе и доставку по всей России.
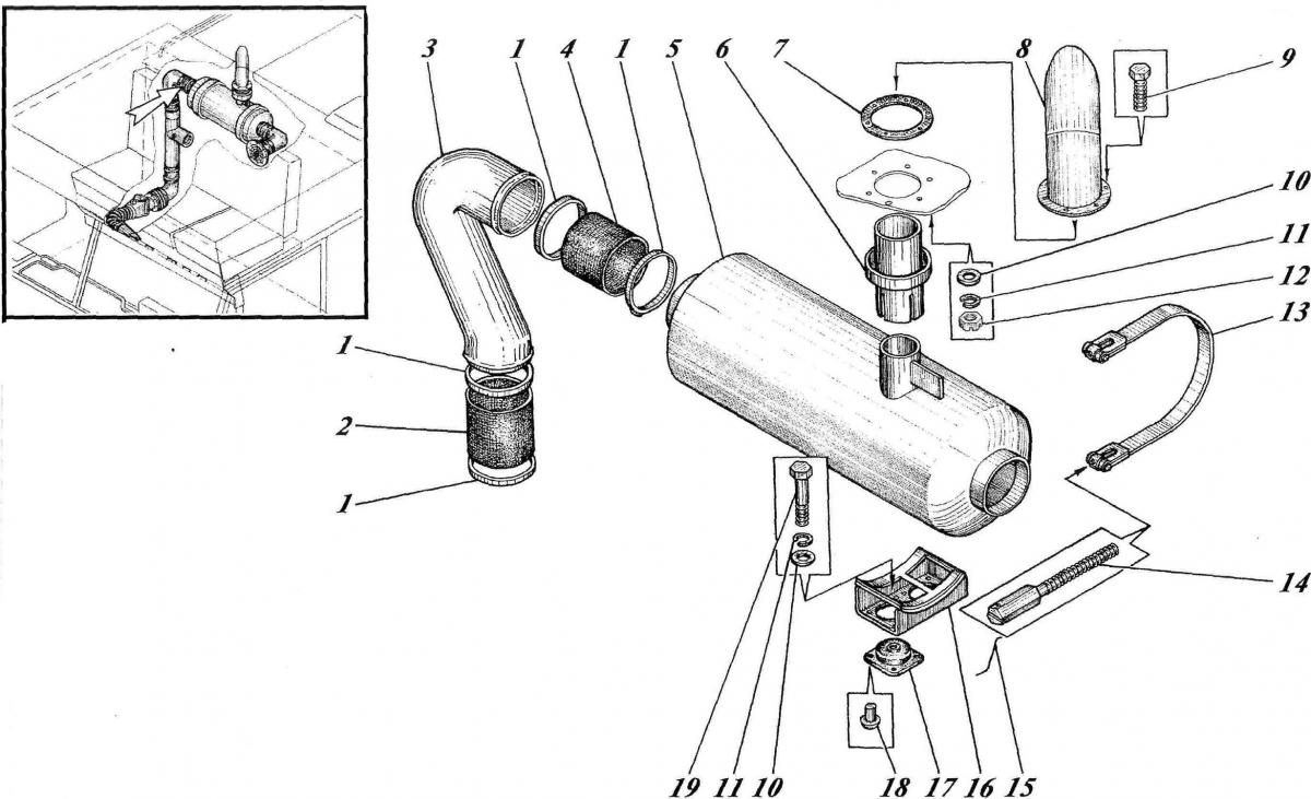
| Позиция на рисунке | Артикул | Наименование | Цена | |
|---|---|---|---|---|
| 14 | 765-71-599 | Растяжка | дог. | |
| 4 | 688-38-16-01 | Шланг | дог. | |
| 2 | ПТС-100-100Вр | Патрубок | дог. | |
| 5 | 065-0010-Г | Отопительно-вентиляционная установка | дог. | |
| 3 | ТМ140-84-сб127 | Патрубок | дог. | |
| 6 | ТМ140-84-сб102 | Патрубок | дог. | |
| 9 | 7798 M6-6gx25.16.46.019 | Болт | дог. | |
| 8 | ТМ140-84-сб119 | Патрубок | дог. | |
| 17 | АП-3-90,019,001-2 | Амортизатор | дог. | |
| 18 | 10299 5x10.36.10 | Заклепка | дог. | |
| 19 | 7796 3M6-6gx40.46.049 | Болт | дог. | |
| 13 | ТМ140-84-сб125 | Лента | дог. | |
| 16 | ТМ140-84-сб109 | Опора | дог. |
