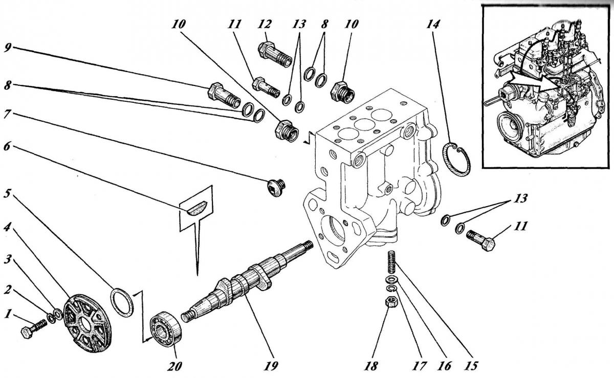
НАСОС ВПРЫСКИВАЮЩИЙ 750-961052 89

ООО "Трейдтрансгрупп" предлагает запчасти для спецтехники МКСМ
| Позиция на рисунке | Артикул | Наименование | Цена | |
|---|---|---|---|---|
| 2 | 991-740006 6 | Шайба | дог. | |
| 3 | 754-961719 | Шайба | дог. | |
| 4 | 750-961181 | Крышка | дог. | |
| 5 | 753-961712 0,05 или | Подкладка ограничительная | дог. | |
| 5 | 753-961713 0,10 или | Подкладка ограничительная | дог. | |
| 5 | 753-961714 0,20 или | Подкладка ограничительная | дог. | |
| 5 | 753-961715 0,30 | Подкладка ограничительная | дог. | |
| 6 | 985-902606 | Шпонка | дог. | |
| 7 | 754-961650 | Винт | дог. | |
| 1 | 973-026016 | Винт | дог. | |
| 8 | 933-821216 | Кольцо уплотнительное | дог. | |
| 15 | 754-961672 | Винт | дог. | |
| 14 | 992-931047 | Кольцо стопорное | дог. | |
| 12 | 360-961430 | Клапан регулировочный | дог. | |
| 11 | 397-961672 | Болт | дог. | |
| 10 | 754-961401 | Штуцер | дог. | |
| 17 | 99-4763 | Шайба | дог. | |
| 18 | 992-402266 Мб | Гайка | дог. | |
| 19 | 750-961202 | Вал кулачковый | дог. | |
| 20 | 960-630300 | Подшипник | дог. |
