НАСОС ДП4.800-22-сб103 327

Купить запчасти для НАСОСА ДП4.800-22-сб103 327 вы можете в компании ООО «ТрейдТрансГрупп». Запчасть подходит для спецтехники ТМ 140 и обеспечивает стабильную работу даже при высокой нагрузке. Предлагаем качественные комплектующие, помощь в подборе и доставку по всей России.
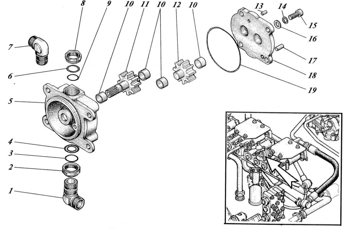
| Позиция на рисунке | Артикул | Наименование | Цена | |
|---|---|---|---|---|
| 16 | 11371 10.01.0118 или | Шайба | дог. | |
| - | 11371 10.02.0118 | Шайба | дог. | |
| 19 | 533-0-62-19-891-1К | Кольцо | дог. | |
| 1 | ДП4.800-22-19 | Угольник | дог. | |
| 2 | ДП4.800-22-18 | Гайка | дог. | |
| 3 | ДП4.800-22-20 | Кольцо | дог. | |
| 4 | 765-12-734К | Кольцо | дог. | |
| 5 | ДП4.800-22-11 | Корпус | дог. | |
| 6 | 6М.25.855 | Кольцо защитное | дог. | |
| 8 | 6М.25.854 | Гайка | дог. | |
| 10 | ДП4.800-22-16 | Втулка | дог. | |
| 11 | ДП4.800-22-13 | Шестерня ведущая | дог. | |
| 12 | ДП4.800-22-14 | Шестерня ведомая | дог. | |
| 13 | 2.6п8х12.К207...256НВ | Штифт | дог. | |
| 15 | 11738 M10-6gx30.88XC.019 | Винт | дог. | |
| 18 | ДП4.800-22-15 | Крышка | дог. |
