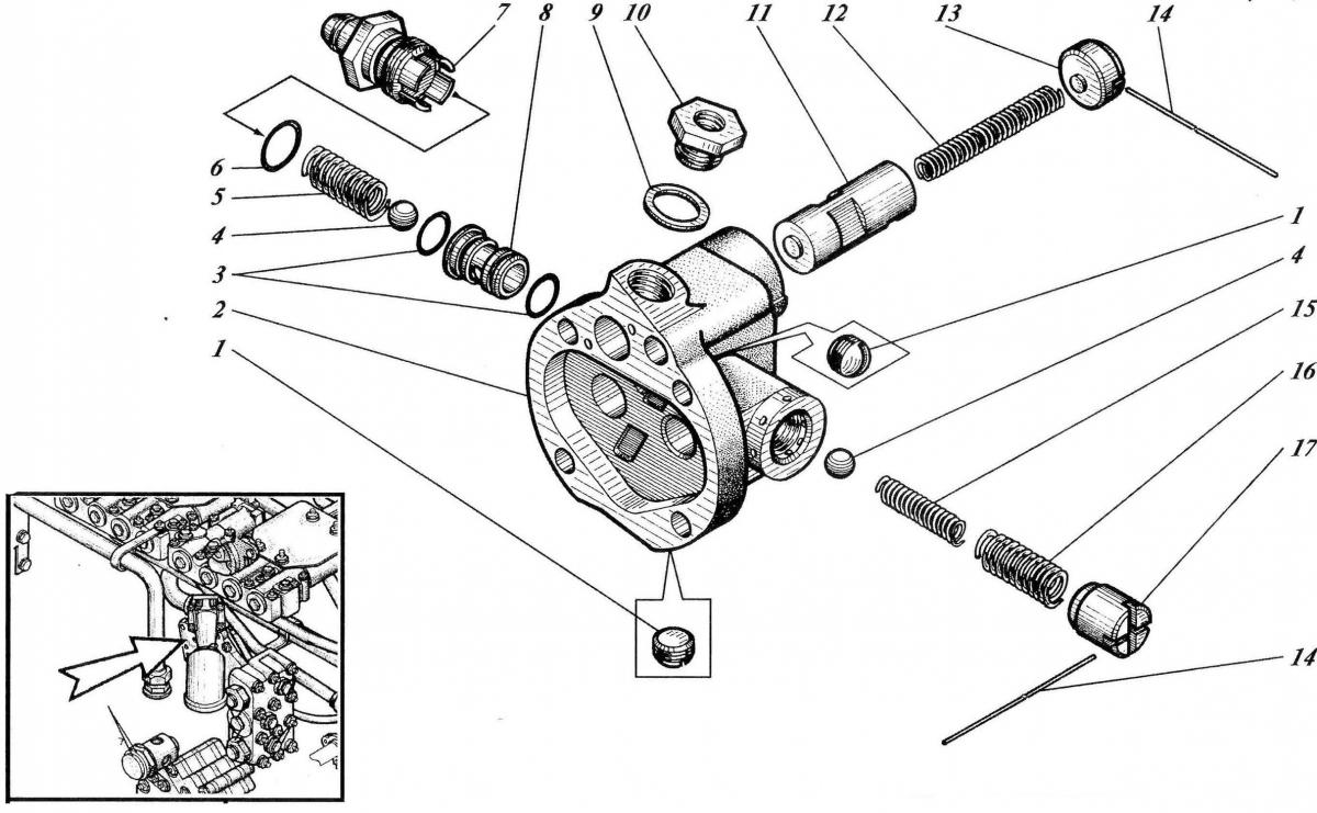
НАСОС БОРТОВОЙ ДП4.800-22-сб118 329

Купить запчасти для НАСОСА БОРТОВОГО ДП4.800-22-сб118 329 вы можете в компании ООО «ТрейдТрансГрупп». Запчасть подходит для спецтехники ТМ 140 и обеспечивает стабильную работу даже при высокой нагрузке. Предлагаем качественные комплектующие, помощь в подборе и доставку по всей России.
| Позиция на рисунке | Артикул | Наименование | Цена | |
|---|---|---|---|---|
| 6 | 775-36-25 | Кольцо | дог. | |
| 9 | 765-05-1009-02 | Прокладка | дог. | |
| 10 | 765-05-546 | Футорка | дог. | |
| 1 | К241-61-6195 | Пробка фиксатора | дог. | |
| 2 | ДП4.800-22-75 | Корпус | дог. | |
| 4 | 16-20 | Шарик | дог. | |
| 5 | 700-38-1495 | Пружина | дог. | |
| 7 | ДП4.800-22-76 | Штуцер | дог. | |
| 8 | ДП4.800-22-78 | Седло | дог. | |
| 11 | 688-22-238 | Золотник | дог. | |
| 12 | 700-38-1348 | Пружина | дог. | |
| 13 | 672-37-21 | Пробка | дог. | |
| 15 | 672-38-94 | Пружина | дог. | |
| 16 | 672-38-95 | Пружина | дог. | |
| 17 | 765-22-154 | Стакан | дог. |
