МОСТИК ТМ140-17-сб145 122

Купить запчасти для МОСТИКА ТМ140-17-сб145 122 вы можете в компании ООО «ТрейдТрансГрупп». Запчасть подходит для спецтехники ТМ 140 и обеспечивает стабильную работу даже при высокой нагрузке. Предлагаем качественные комплектующие, помощь в подборе и доставку по всей России.
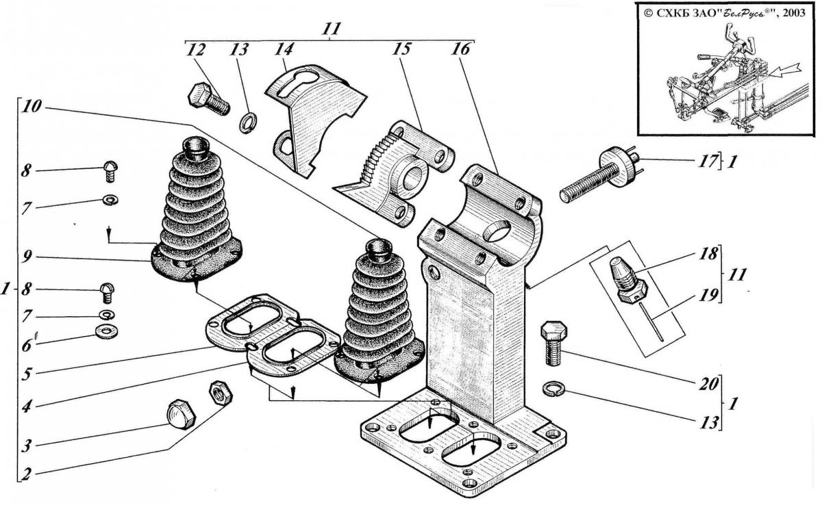
| Позиция на рисунке | Артикул | Наименование | Цена | |
|---|---|---|---|---|
| 6 | 700-31-632 | Шайба | дог. | |
| 2 | 010.48.114 | Гайка | дог. | |
| 3 | 210Г-3720125 | Наконечник выключателя | дог. | |
| 4 | ТМ140-17-102 | Накладка | дог. | |
| 5 | ТМ140-17-102-01 | Накладка | дог. | |
| 9 | ТМ140-17-103-01 | Чехол | дог. | |
| 10 | ТМ140-17-103 | Чехол | дог. | |
| 11 | ТМ140-17-сб145 | Мостик | дог. | |
| 17 | ВК-412 | Выключатель сигнала торможения | дог. | |
| 18 | 700-35-288 | Винт установочный | дог. | |
| 14 | ТМ140-17-сб150 | Кожух | дог. | |
| 15 | ТМ140-17-131 | Кронштейн | дог. | |
| 16 | ТМ140-17-133 | Кронштейн | дог. | |
| 13 | 640210.ОТ.65Г.06 | Шайба | дог. | |
| 20 | 7796 M10-6gx30.46.019 | Болт | дог. |
