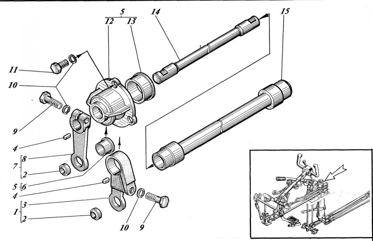
МОСТИК ТМ140-17-сб101 109

Купить запчасти для МОСТИКА ТМ140-17-сб101 109 вы можете в компании ООО «ТрейдТрансГрупп». Запчасть подходит для спецтехники ТМ 140 и обеспечивает стабильную работу даже при высокой нагрузке. Предлагаем качественные комплектующие, помощь в подборе и доставку по всей России.
| Позиция на рисунке | Артикул | Наименование | Цена | |
|---|---|---|---|---|
| 14 | ТМ140-17-сб104-01 | Вал | дог. | |
| 15 | ТМ140-17-сб106-01 | Труба | дог. |
