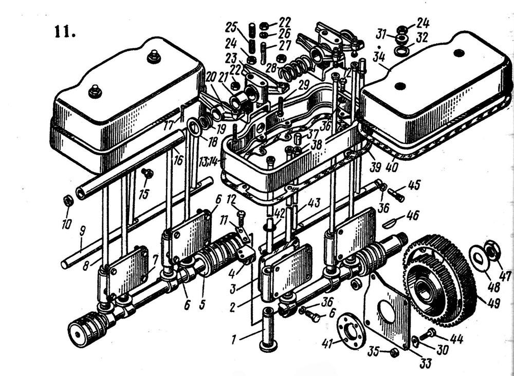
Механизмы газораспределения

ООО "Трейдтрансгрупп" предлагает запчасти для спецтехники Т-170 Б10
| Позиция на рисунке | Артикул | Наименование | Цена | |
|---|---|---|---|---|
| 6 | 04207 | Болт | дог. | |
| 22 | 30209 | — | дог. | |
| 10 | 0280 | Заглушка | дог. | |
| 31 | 02248-1 | Втулка | дог. | |
| 35 | 0474 | Втулка | дог. | |
| 41 | 0473 | Шайба | дог. | |
| 37 | 02277 | Наконечник | дог. | |
| 4 | 02236 | Подшипник | дог. | |
| 43 | 02219 | Штанга декомпрессора | дог. | |
| — | 16-04-110СП | Штанга декомпрессора | дог. | |
| — | 16-04-8СП | Механизм газораспределения | дог. | |
| 34 | 14-04-119СП | Колпак | дог. | |
| — | 14-04-116СП | — | дог. | |
| — | 14-04-115СП | Валик | дог. | |
| — | 14-04-112СП | Коромысло | дог. | |
| — | 14-04-111-1СП | Вал распределительный | дог. | |
| 29 | 0484, 0484-1 | Винт | дог. | |
| 49 | 04202-1 | Колесо зубчатое | дог. | |
| 33 | 04203 | Плита | дог. | |
| 1 | 4204 | Толкатель | дог. | |
| 42 | 04205 | Кольцо | дог. | |
| 8 | 04208СП | Штанга | дог. | |
| 3 | 40845 | Прокладка | дог. | |
| 46 | 3420 | Шпонка | дог. | |
| 11 | 31383 | Пластина | дог. | |
| 25 | 29314 | Шпилка | дог. | |
| 27 | 04216 | Стопор | дог. | |
| 47 | 3055 | Гайка | дог. | |
| 32 | 46267 | Прокладка | дог. | |
| 23 | 14-04-27 | Стойка | дог. | |
| 39 | 700-40-2108 | Прокладка | дог. | |
| 28 | 700-38-2465 | — | дог. | |
| 19 | 700-38-2026 | Пружина | дог. | |
| 45 | 700-35-2009 | Винт | дог. | |
| 13 | 16-04-22 | То же | дог. | |
| 14 | 16-04-21 | Основание колпака | дог. | |
| 21 | 14-04-38 | Втулка | дог. | |
| 9 | 14-04-26 | Валик декомпрессора | дог. | |
| 16 | 14-04-24 | Валик коромысел | дог. | |
| 2 | 14-04-23 | Кронштейн | дог. | |
| 20 | 14-02-21-2 | Коромысло клапана | дог. | |
| 5 | 14-04-20 | Вал распределительный | дог. | |
| 40 | 700-40-2896 | — | дог. |
