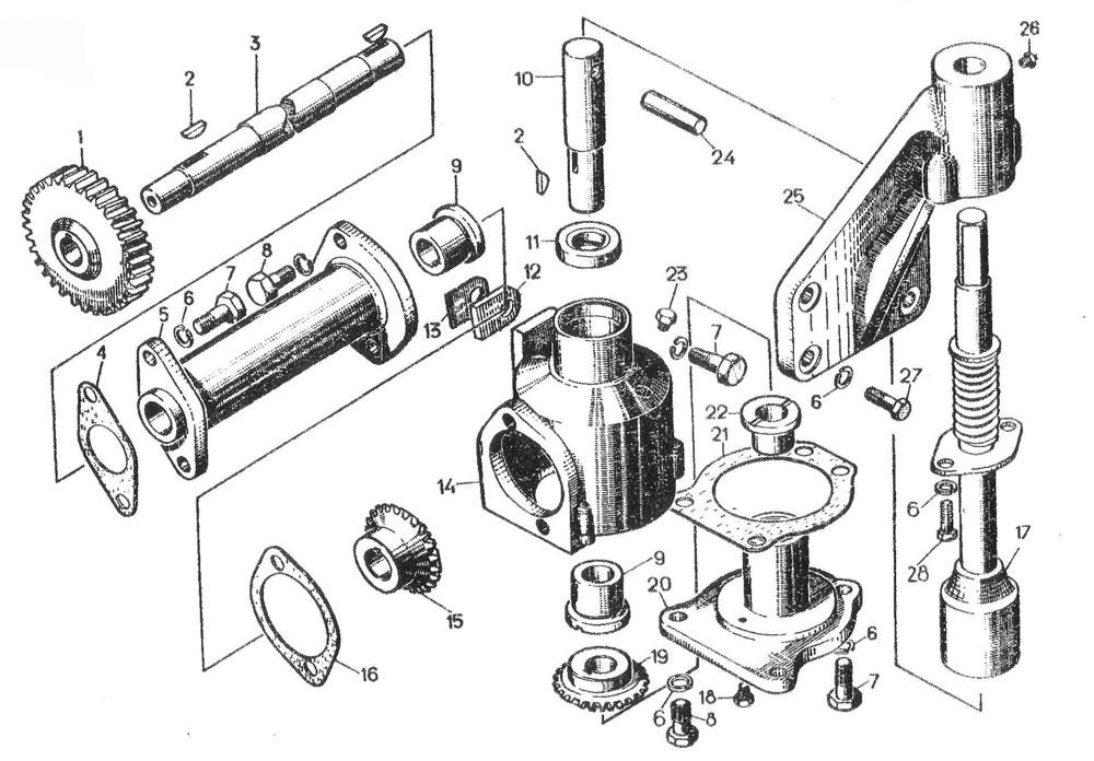
Механизм проворачивания вала пускового двигателя

ООО "Трейдтрансгрупп" предлагает запчасти для спецтехники Т-170 Б10
| Позиция на рисунке | Артикул | Наименование | Цена | |
|---|---|---|---|---|
| 11 | 40251СП | Сальник | дог. | |
| — | 16-74-1СП | Устройство ручного запуска | дог. | |
| 17 | 16-74-101СП | Валик | дог. | |
| — | 17-74-8СП | Механизм проворачивания вала пускового двигателя | дог. | |
| — | 17-74-197СП | Корпус | дог. | |
| — | 17-74-198СП | Кронштейн | дог. | |
| — | 17-74-199СП | Корпус | дог. | |
| 18 | 3711 | Пробка | дог. | |
| 21 | 40956 | Прокладка | дог. | |
| 16 | 40957 | — | дог. | |
| 15 | 74116 | Шестерня | дог. | |
| 19 | 74123 | Шестерня | дог. | |
| 14 | 17-74-280 | Корпус | дог. | |
| 3 | 17-74-257 | Валик | дог. | |
| 1 | 1701-22 | Шестерня | дог. | |
| 24 | 74124 | Палец | дог. | |
| 22 | 74121-1 | Втулка | дог. | |
| 20 | 74120 | Опора | дог. | |
| 10 | 17-74-282 | Валик | дог. | |
| 9 | 17-74-283 | Втулка | дог. | |
| 5 | 17-74-284 | Кронштейн | дог. | |
| 25 | 51-74-1 | — | дог. | |
| 13 | 700-40-3109 | Прокладка | дог. | |
| 12 | 700-40-3110 | — | дог. | |
| 4 | 700-40-6763 | — | дог. | |
| 26 | _ | Масленка 1.3.Ц6 | дог. |
