МЕХАНИЗМ ПЕРЕДАЧ ДП4.800-12-сб1 267

Купить запчасти для МЕХАНИЗМА ПЕРЕДАЧИ ДП4.800-12-сб1 267 вы можете в компании ООО «ТрейдТрансГрупп». Запчасть подходит для спецтехники ТМ 140 и обеспечивает стабильную работу даже при высокой нагрузке. Предлагаем качественные комплектующие, помощь в подборе и доставку по всей России.
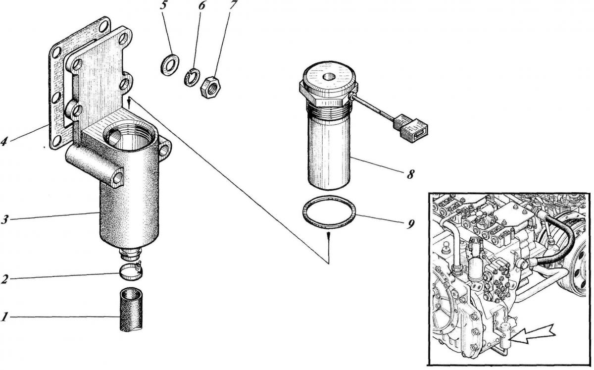
| Позиция на рисунке | Артикул | Наименование | Цена | |
|---|---|---|---|---|
| 5 | 6958 А8.01.0118или | Шайба | дог. | |
| 8 | 533-9-62-19-1141-1К | Датчик уровня | дог. | |
| 1 | 40У14-13 | Шланг соединительный L=(280±5)мм | дог. | |
| 3 | ДП4.800-12-сб132 | Корпус | дог. | |
| 4 | ДП4.800-12-86 | Прокладка | дог. | |
| 7 | 5915 М8-6Г.6.019 | Гайка | дог. | |
| 9 | 700-40-260-24 | Прокладка | дог. |
