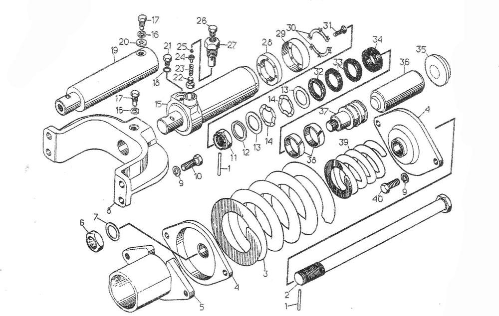
Механизм натяжения и механизм сдавания

ООО "Трейдтрансгрупп" предлагает запчасти для спецтехники Т-170 Б10
| Позиция на рисунке | Артикул | Наименование | Цена | |
|---|---|---|---|---|
| — | 50-21-177СП | Клапан | дог. | |
| 38 | 18-21-32 | Кольцо | дог. | |
| 36 | 24-21-92 | Шток | дог. | |
| 13 | 24-21-95 | Прокладка | дог. | |
| 15 | 50-21-136СП | Цилиндр | дог. | |
| 2 | 50-21-55 | Стержень | дог. | |
| 12 | 50-21-15 | Проставка | дог. | |
| 37 | 50-21-14 | Поршень | дог. | |
| 28 | 35-21-40 | Сальник | дог. | |
| 29 | 35-21-38 | Крышка | дог. | |
| 1 | 35-21-37 | Шплинт | дог. | |
| 35 | 35-21-34 | Упор | дог. | |
| 7 | 24-21-163 | — | дог. | |
| 4 | 50-21-84, 50-21-88 | Фланец | дог. | |
| 27 | 50-21-164 | Корпус | дог. | |
| 24 | 50-21-165 | Толкатель | дог. | |
| 26 | 50-21-166 | Заглушка | дог. | |
| 22 | 50-21-216 | — | дог. | |
| 3 | 38391 | Пружина | дог. | |
| 11 | 700-30-2195 | Гайка | дог. | |
| 30 | 700-31-2558 | Шайба | дог. | |
| 21 | 700-37-2236 | Пробка | дог. | |
| 39 | 700-38-2153 | Пружина | дог. | |
| 23 | 700-38-2591 | Пружина | дог. | |
| 14 | 700-58-2273 | Кольцо | дог. |
