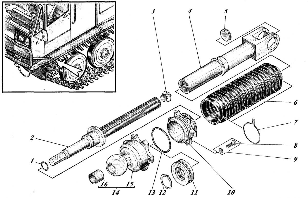
МЕХАНИЗМ НАТЯЖЕНИЯ ГУСЕНИЦЫ ТМ140-31-сб101 85

Купить запчасти для МЕХАНИЗМА НАТЯЖЕНИЯ ГУСЕНИЦЫ ТМ140-31-сб101 85 вы можете в компании ООО «ТрейдТрансГрупп». Запчасть подходит для спецтехники ТМ 140 и обеспечивает стабильную работу даже при высокой нагрузке. Предлагаем качественные комплектующие, помощь в подборе и доставку по всей России.
| Позиция на рисунке | Артикул | Наименование | Цена | |
|---|---|---|---|---|
| 5 | 700-37-234 | Пробка | дог. | |
| 11 | 78 728 307 | Подшипник | дог. | |
| 2 | ТМ140-31-11 | Винт | дог. | |
| 3 | ТМ140-31-12 | Пробка | дог. | |
| 4 | ТМ140-31-сб 102 | Гайка грузовая | дог. | |
| 10 | ТМ140-31-13 | Корпус | дог. | |
| 13 | 765-33-40 | Кольцо уплотнительное | дог. | |
| 14 | ТМ 140-31-сб 109 | Опора | дог. | |
| 15 | ТМ 140-31-9 | Опора | дог. | |
| 16 | ТМ140-31-10 | Втулка | дог. |
