КРЫШКА ДП4.800-22-сб125 334

Купить запчасти для КРЫШКИ ДП4.800-22-сб125 334 вы можете в компании ООО «ТрейдТрансГрупп». Запчасть подходит для спецтехники ТМ 140 и обеспечивает стабильную работу даже при высокой нагрузке. Предлагаем качественные комплектующие, помощь в подборе и доставку по всей России.
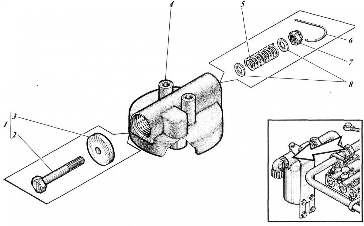
| Позиция на рисунке | Артикул | Наименование | Цена | |
|---|---|---|---|---|
| 8 | 11371 5.01.0118 или | Шайба | дог. | |
| - | 11371 5.02.0118 | Шайба | дог. | |
| 1 | 533-9-62-19-1144-1К | Клапан | дог. | |
| 5 | 700-38-283 | Пружина | дог. | |
| 7 | 5932 М5-6Н.6.019 | Гайка | дог. | |
| 2 | 533-0-62-19-1142-1К | Тарелка | дог. | |
| 3 | 533-0-62-19-1143-1К | Шток | дог. | |
| 4 | ДП4.800-22-42 | Крышка | дог. | |
| 6 | 797 КО 1,0 | Проволока | дог. |
