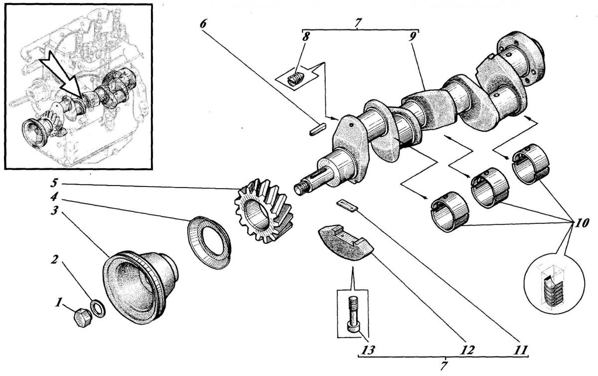
КРИВОШИПНОЕ УСТРОЙСТВО 74

ООО "Трейдтрансгрупп" предлагает запчасти для спецтехники МКСМ

Позиция на рисунке Артикул Наименование Цена