КОРОБКА ЗОЛОТНИКОВАЯ TM140-22-сб100 317

Купить запчасти для КОРОБКИ ЗОЛОТНИКОВОЙ TM140-22-сб100 317 вы можете в компании ООО «ТрейдТрансГрупп». Запчасть подходит для спецтехники ТМ 140 и обеспечивает стабильную работу даже при высокой нагрузке. Предлагаем качественные комплектующие, помощь в подборе и доставку по всей России.
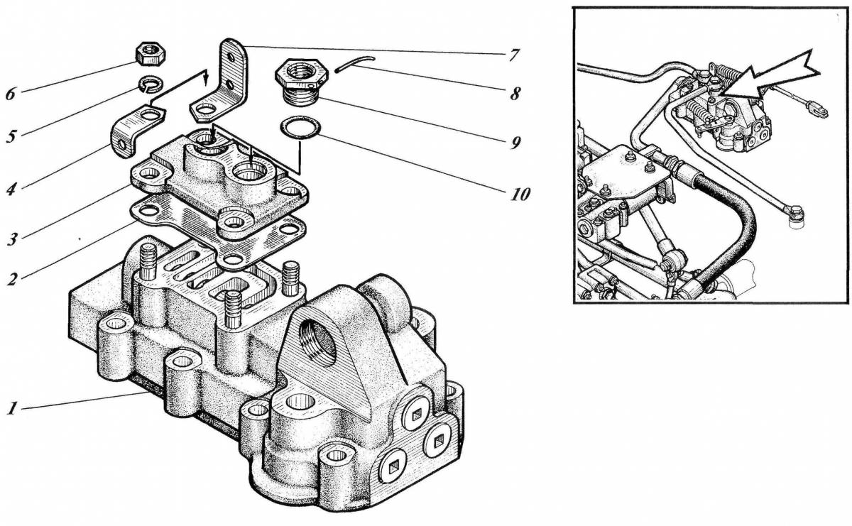
| Позиция на рисунке | Артикул | Наименование | Цена | |
|---|---|---|---|---|
| 1 | ТМ140-22-сб115 | Корпус | дог. | |
| 2 | ТМ140-22-15 | Прокладка | дог. | |
| 3 | ТМ140-22-14 | Крышка | дог. | |
| 4 | ТМ140-17-32 | Кронштейн | дог. | |
| 9 | 765-22-351 | Футорка | дог. | |
| 7 | ТМ 140-17-31 | Кронштейн | дог. |
