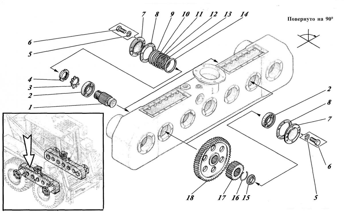
КОРОБКА ПЕРЕДАЧ ПРАВАЯ 533Н-09-сб101 131

ООО "Трейдтрансгрупп" предлагает запчасти для спецтехники МКСМ
| Позиция на рисунке | Артикул | Наименование | Цена | |
|---|---|---|---|---|
| 15 | 533-0-34-09-106-1К | Кольцо | дог. | |
| 17 | 533-0-34-09-075-1К | Шестерня | дог. | |
| 14 | 533-0-34-09-084-2К | Распорное кольцо | дог. |
