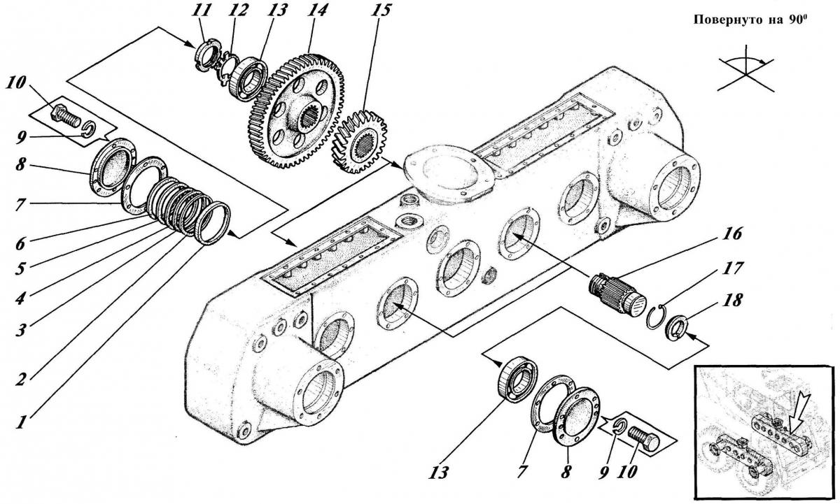
КОРОБКА ПЕРЕДАЧ ЛЕВАЯ 533Н-09-сб102 127

ООО "Трейдтрансгрупп" предлагает запчасти для спецтехники МКСМ

Позиция на рисунке Артикул Наименование Цена