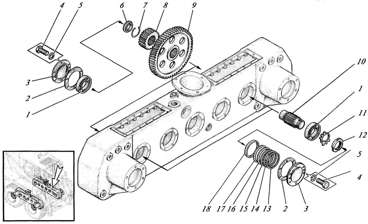
КОРОБКА ПЕРЕДАЧ ЛЕВАЯ 533Н-09-сб102 126

ООО "Трейдтрансгрупп" предлагает запчасти для спецтехники МКСМ