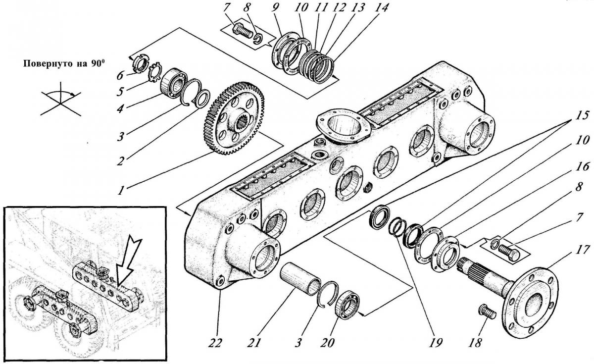
КОРОБКА ПЕРЕДАЧ ЛЕВАЯ 533Н-09-сб102 125

ООО "Трейдтрансгрупп" предлагает запчасти для спецтехники МКСМ
| Позиция на рисунке | Артикул | Наименование | Цена | |
|---|---|---|---|---|
| 1 | 533-0-34-09-074-2К | Шестерня | дог. | |
| 2 | 533-0-34-09-109-2К | Кольцо | дог. | |
| 3 | 13941 В90Хим.Окс.прм. | Кольцо | дог. | |
| 4 | 5721 3608 | Подшипник | дог. | |
| 15 | 688-12-сб53 или | Манжета | дог. | |
| 15 | 8752 1.2-55x80-3 | Манжета | дог. | |
| 22 | 533Н-09-21 | Корпус | дог. |
