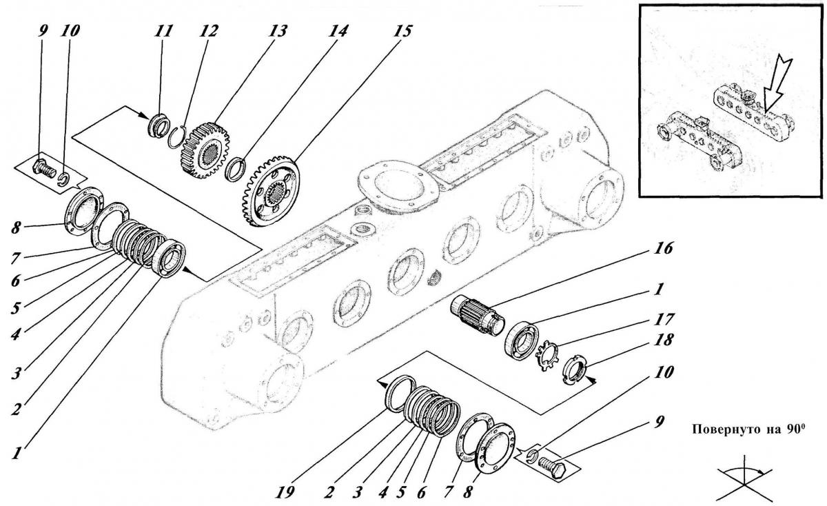
КОРОБКА ПЕРЕДАЧ 533-9-34-09-500-2К 115

ООО "Трейдтрансгрупп" предлагает запчасти для спецтехники МКСМ