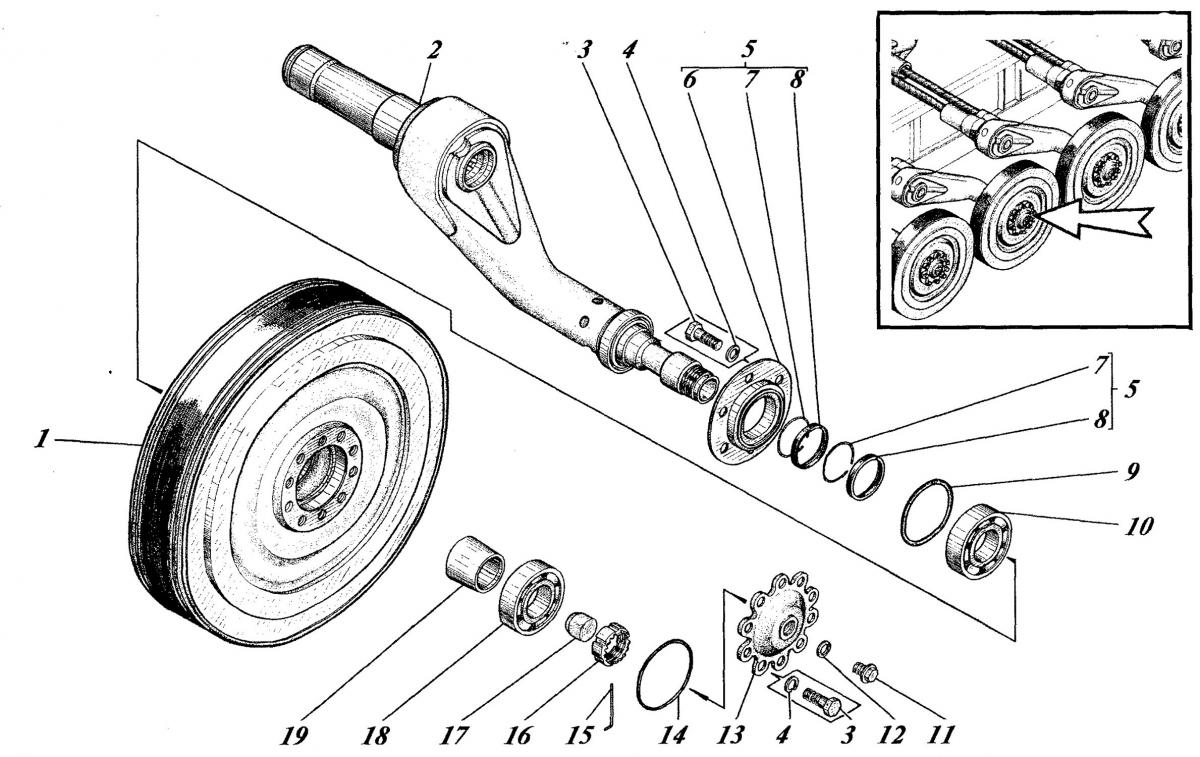
КАТОК С БАЛАНСИРОМ ТМ140-33-сб101 89

Купить запчасти для КАТОКА С БАЛАНСИРОМ ТМ140-33-сб101 89 вы можете в компании ООО «ТрейдТрансГрупп». Запчасть подходит для спецтехники ТМ 140 и обеспечивает стабильную работу даже при высокой нагрузке. Предлагаем качественные комплектующие, помощь в подборе и доставку по всей России.
| Позиция на рисунке | Артикул | Наименование | Цена | |
|---|---|---|---|---|
| 5 | 765-33-сб164 | Крышка | дог. | |
| 2 | ТМ140-33-сб104 | Балансир | дог. | |
| 8 | 765-33 -сб 162 | Манжета | дог. | |
| 17 | ТМ140-3 3-6 | Пробка | дог. | |
| 19 | ТМ 140-3 3-4 | Втулка | дог. | |
| - | ТМ 140-3 3-5 | Втулка | дог. |
