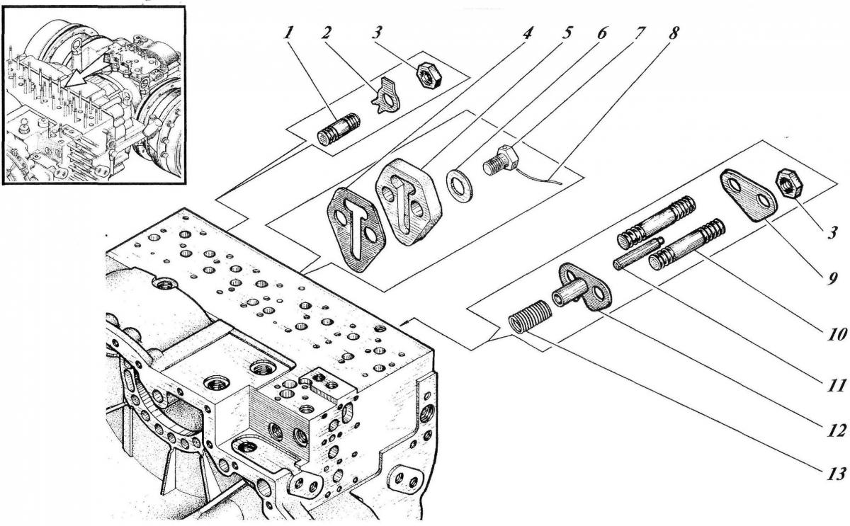
КАРТЕР СРЕДНИЙ ДП4.800-12-сб103 285

Купить запчасти для КАРТЕРА СРЕДНЕГО ДП4.800-12-сб103 285 вы можете в компании ООО «ТрейдТрансГрупп». Запчасть подходит для спецтехники ТМ 140 и обеспечивает стабильную работу даже при высокой нагрузке. Предлагаем качественные комплектующие, помощь в подборе и доставку по всей России.
| Позиция на рисунке | Артикул | Наименование | Цена | |
|---|---|---|---|---|
| 3 | 5929 М12-6Н.04.019 | Гайка | дог. | |
| 4 | 688-12-99 | Прокладка | дог. | |
| 5 | 688-12-92-1 | Накладка | дог. | |
| 7 | 7796 3M10-6gx25.88.38XC.019 | Болт | дог. | |
| 1 | 672-29-8 | Шпилька | дог. | |
| 2 | 134-64 12.01.0118 | Шайба | дог. | |
| 10 | 22038 M12xT02/8g110.88.38XC.019 | Шпилька | дог. |
