КАРТЕР СРЕДНИЙ ДП4.800-12-сб103 284

Купить запчасти для КАРТЕРА СРЕДНЕГО ДП4.800-12-сб103 284 вы можете в компании ООО «ТрейдТрансГрупп». Запчасть подходит для спецтехники ТМ 140 и обеспечивает стабильную работу даже при высокой нагрузке. Предлагаем качественные комплектующие, помощь в подборе и доставку по всей России.
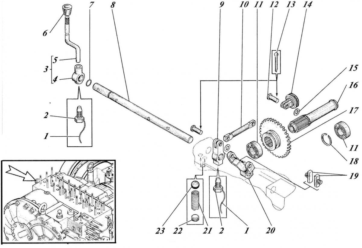
| Позиция на рисунке | Артикул | Наименование | Цена | |
|---|---|---|---|---|
| 6 | А13.05.000 | Рукоятка управления | дог. | |
| 2 | 010.37.131 | Болт | дог. | |
| 22 | 688-12-260 | Пробка | дог. | |
| 19 | 765-12-147 | Сухарь | дог. | |
| 10 | ДП4.800-12-48 | Тяга | дог. | |
| 9 | ДП4.800-12-47 | Рычаг | дог. | |
| 8 | ДП4.800-12-46 | Валик | дог. | |
| - | 18829 014.018-25-2-2 | Кольцо | дог. | |
| 7 | 18829 901.01.85 или | Кольцо | дог. | |
| 5 | ДП4.800-12-53 | Рычаг | дог. | |
| 4 | ДП4.800-12-52 | Ступица | дог. | |
| 3 | ДП4.800-12-сб114 | Рычаг | дог. | |
| 11 | 8338 105 | Подшипник | дог. | |
| 12 | 765-22-347 | Палец | дог. | |
| 14 | ДП4.800-12-41 | Поршень | дог. | |
| 16 | ДП4.800-12-49 | Валик | дог. | |
| 17 | ДП4.800-12-44 | Шестерня | дог. | |
| 18 | 13940 В32 | Кольцо | дог. | |
| 20 | ДП4.800-12-45 | Вилка | дог. | |
| 21 | 700-38-993 | Пружина | дог. | |
| 23 | 8-100 или | Шарик | дог. | |
| - | 8-200 | Шарик | дог. |
