КАРТЕР СРЕДНИЙ ДП4.800-12-сб103 281

Купить запчасти для КАРТЕРА СРЕДНЕГО ДП4.800-12-сб103 281 вы можете в компании ООО «ТрейдТрансГрупп». Запчасть подходит для спецтехники ТМ 140 и обеспечивает стабильную работу даже при высокой нагрузке. Предлагаем качественные комплектующие, помощь в подборе и доставку по всей России.
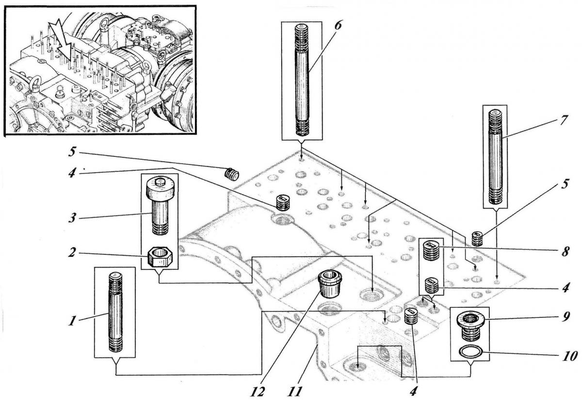
| Позиция на рисунке | Артикул | Наименование | Цена | |
|---|---|---|---|---|
| 2 | 700-31-668 | Шайба | дог. | |
| 5 | 688-12-727-02 | Пробка | дог. | |
| 9 | ДП4.800-12-59 | Ввертыш | дог. | |
| 1 | 22036 M8xT,2/8gx60.66.019 | Шпилька | дог. | |
| 3 | 765-12-сб321 | Сапун | дог. | |
| 6 | 22036 M8-T,2/8gx90.66.019 | Шпилька | дог. | |
| 7 | 22036 M8-T,2/6gx75.66.019 | Шпилька | дог. | |
| 8 | ДП4.800-12-101 | Пробка | дог. | |
| 12 | 730-12-85 | Втулка | дог. |
