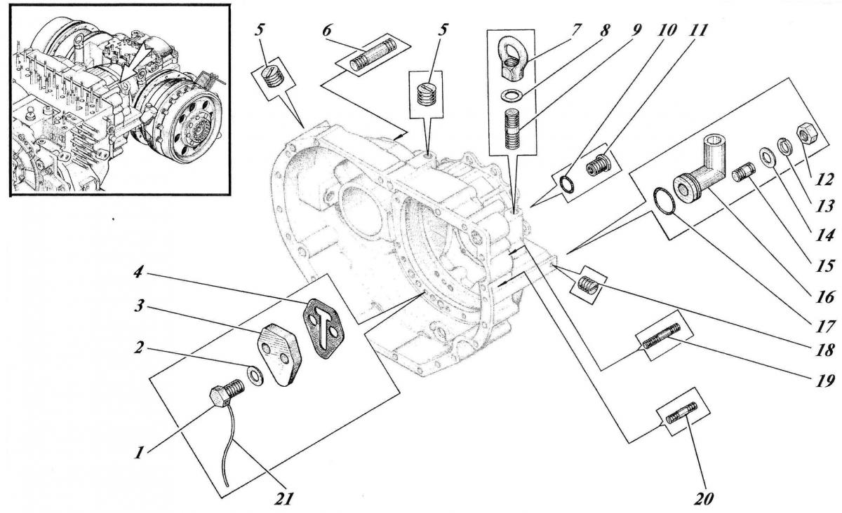
КАРТЕР ПРАВЫЙ ДП4.800-12-сб101 273

Купить запчасти для КАРТЕРА ПРАВОГО ДП4.800-12-сб101 273 вы можете в компании ООО «ТрейдТрансГрупп». Запчасть подходит для спецтехники ТМ 140 и обеспечивает стабильную работу даже при высокой нагрузке. Предлагаем качественные комплектующие, помощь в подборе и доставку по всей России.
| Позиция на рисунке | Артикул | Наименование | Цена | |
|---|---|---|---|---|
| - | 6958 А8.02.0118 | Шайба | дог. | |
| 14 | 6958 А8.01.0118 или | Шайба | дог. | |
| 17 | 901.01.85 | Кольцо | дог. | |
| 21 | 792 KOI | Проволока L=(150±5)mm | дог. | |
| 18 | 688-12-727 | Пробка | дог. | |
| 6 | 220'38 M10xT,2/6gx30.88.38XC.029 | Шпилька | дог. | |
| 13 | 6402 8Т.65Г.02 | Шайба | дог. | |
| 16 | ДП4.800-12-сб121 | Штуцер | дог. | |
| 19 | ДП4.800-12-33 | Шпилька | дог. | |
| 20 | ДП4.800-12-33-01 | Шпилька | дог. |
