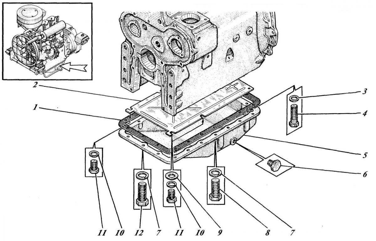
КАРТЕР ДВИГАТЕЛЯ 72

ООО "Трейдтрансгрупп" предлагает запчасти для спецтехники МКСМ
| Позиция на рисунке | Артикул | Наименование | Цена | |
|---|---|---|---|---|
| 5 | 4701 0213 | Нижняя крышка | дог. | |
| 1 | 4904 0263 | Покрывающий лист | дог. | |
| 4 | 99 9010 М8х30 | Болт | дог. | |
| 7 | 99 4807 10,2 | Шайба | дог. | |
| 8 | 99 9030 Ml0x28 | Болт | дог. | |
| 9 | 99 4809 8,4 | Шайба | дог. | |
| 12 | 99 9031 Ml0x30 | Болт | дог. |
