ГУСЕНИЦА ТМ140-35-сб120 82

Купить запчасти для ГУСЕНИЦЫ ТМ140-35-сб120 82 вы можете в компании ООО «ТрейдТрансГрупп». Запчасть подходит для спецтехники ТМ 140 и обеспечивает стабильную работу даже при высокой нагрузке. Предлагаем качественные комплектующие, помощь в подборе и доставку по всей России.
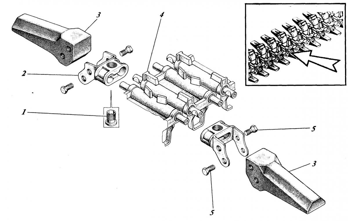
| Позиция на рисунке | Артикул | Наименование | Цена | |
|---|---|---|---|---|
| 5 | 675-35-15 | Болт | дог. | |
| 4 | ТМ140-35-сб104 | Трак с пальцами | дог. | |
| 1 | ТМ140-35-13 | Болт | дог. | |
| 2 | ТМ140-35-сб122 | Скоба с кронштейном | дог. | |
| 3 | ТМ140-35-сб121 | Уширитель резинотканевый | дог. |
