ГУСЕНИЦА ТМ140-35-сб115 81

Купить запчасти для ГУСЕНИЦЫ ТМ140-35-сб115 81 вы можете в компании ООО «ТрейдТрансГрупп». Запчасть подходит для спецтехники ТМ 140 и обеспечивает стабильную работу даже при высокой нагрузке. Предлагаем качественные комплектующие, помощь в подборе и доставку по всей России.
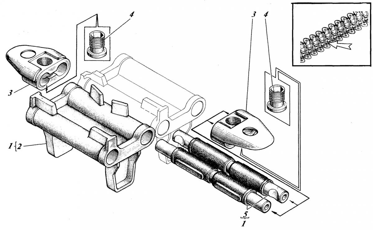
| Позиция на рисунке | Артикул | Наименование | Цена | |
|---|---|---|---|---|
| 5 | 675-35-сб133 | Палец резино-металлический | дог. | |
| 2 | ТМ140-35-сб103 | Трак с гребнями | дог. | |
| 3 | ТМ140-35-сб116 | Скоба с уширителем | дог. |
