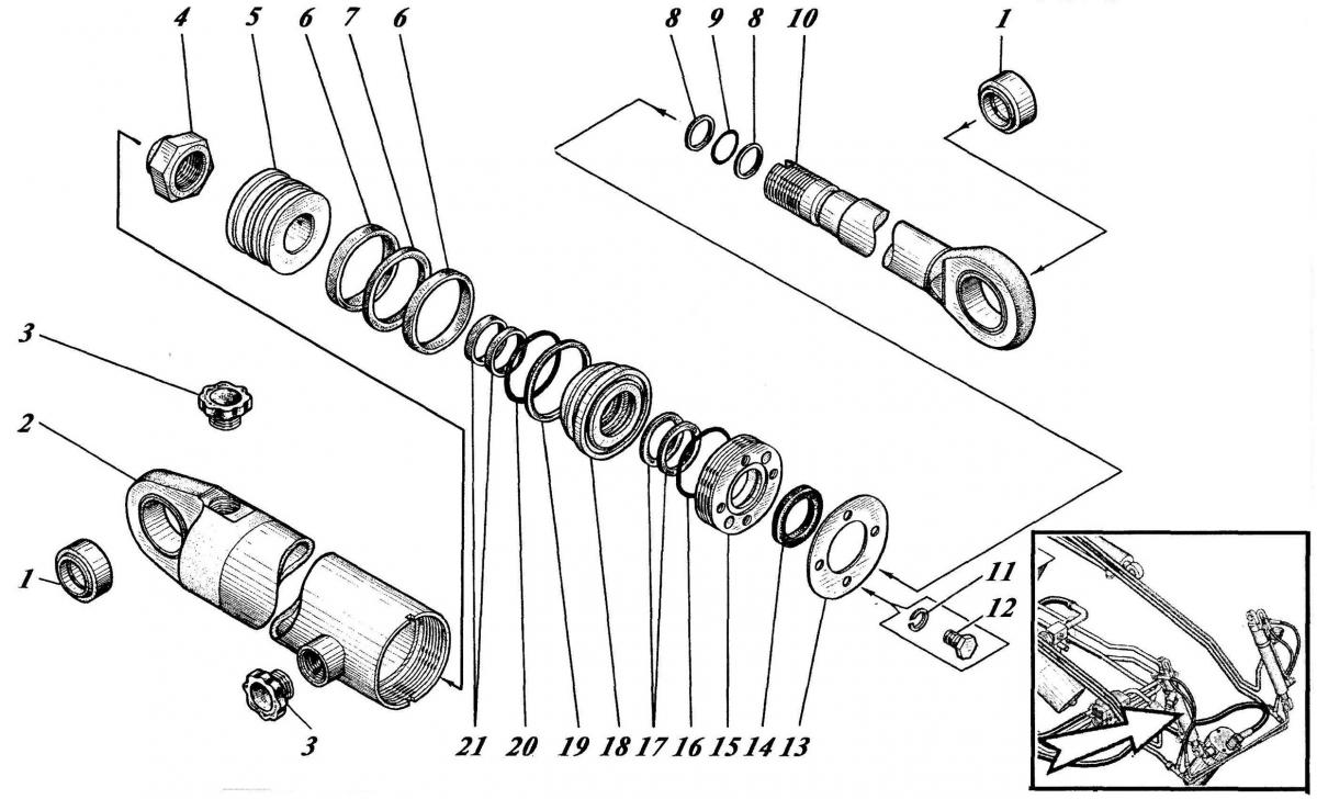
ГИДРОЦИЛИНДР 533-9-62-19-1232-1К 280

ООО "Трейдтрансгрупп" предлагает запчасти для спецтехники МКСМ

Позиция на рисунке Артикул Наименование Цена