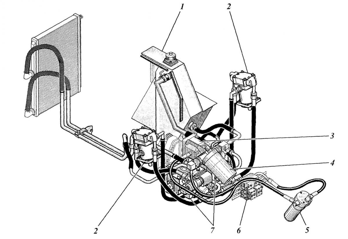
ГИДРАВЛИЧЕСКАЯ СИСТЕМА ХОДОВОЙ ЧАСТИ 533-9-62-000-6К 243

ООО "Трейдтрансгрупп" предлагает запчасти для спецтехники МКСМ
| Позиция на рисунке | Артикул | Наименование | Цена | |
|---|---|---|---|---|
| 6 | РСП.80.16-2.311-УХЛ МКРН.306154.007-2 | Распределитель | дог. | |
| 2 | МКРН 382213001 или | Гидромотор | дог. | |
| 4 | 533-9-62- 19-895-2К | Фильтр | дог. |
