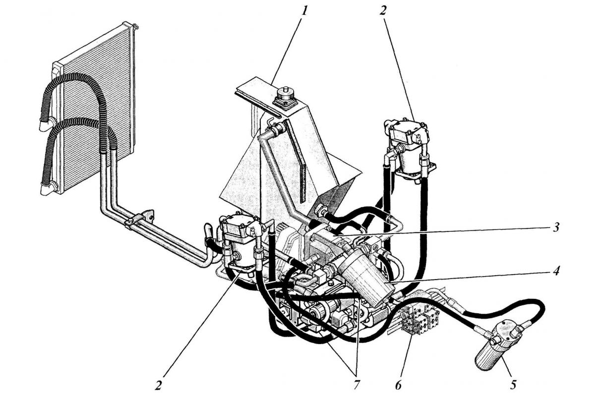
ГИДРАВЛИЧЕСКАЯ СИСТЕМА ХОДОВОЙ ЧАСТИ 533-9-62-000-5К 242

ООО "Трейдтрансгрупп" предлагает запчасти для спецтехники МКСМ

Позиция на рисунке Артикул Наименование Цена