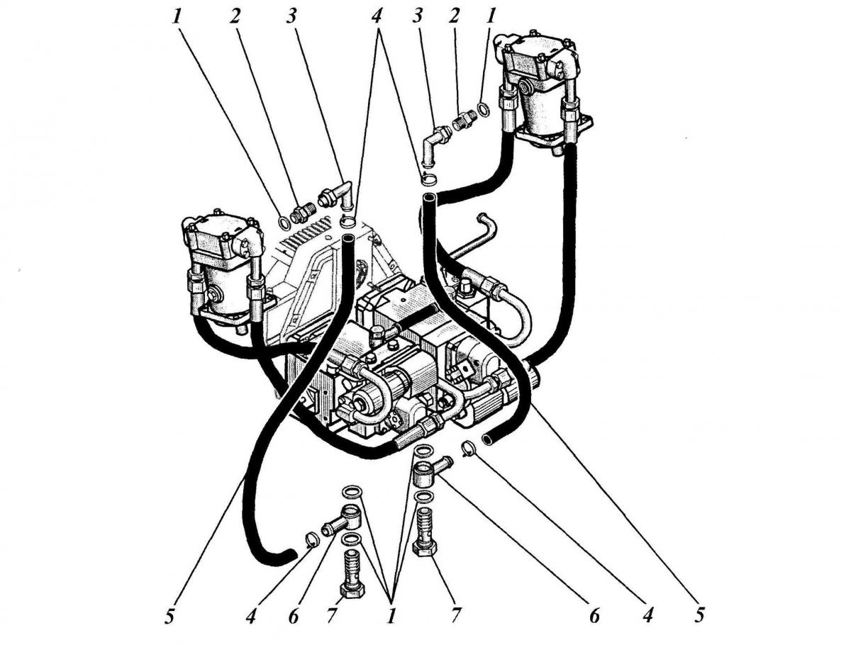
ГИДРАВЛИЧЕСКАЯ СИСТЕМА 533-9-62-19-000-5К 256

ООО "Трейдтрансгрупп" предлагает запчасти для спецтехники МКСМ
| Позиция на рисунке | Артикул | Наименование | Цена | |
|---|---|---|---|---|
| 4 | 78.00 | Хомут | дог. | |
| 7 | 533-0-62-19-600-1К | Болт | дог. | |
| 4 | 1 20-32 или | Хомут | дог. | |
| 6 | 533-9-62-19-1038-1К | Трубопровод | дог. | |
| 2 | 672-57-47 | Штуцер | дог. | |
| 3 | 533-9-62-19-804-2К | Трубопровод | дог. |
