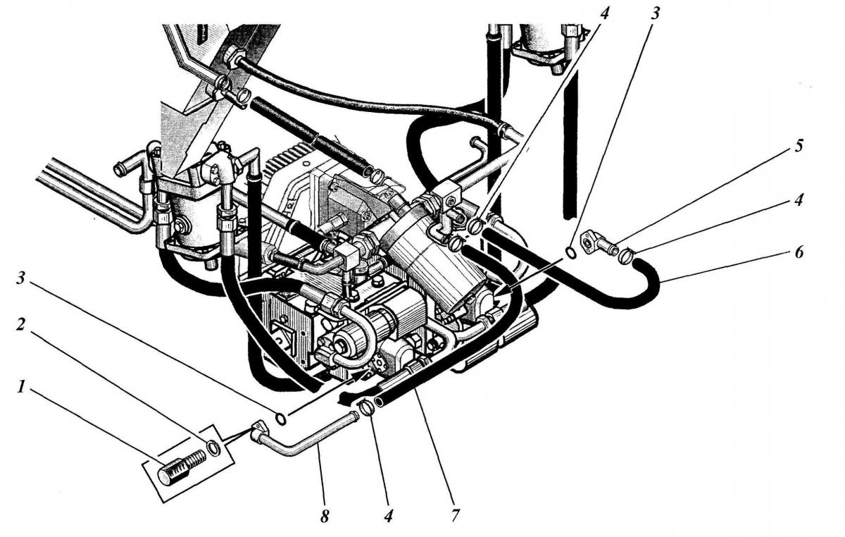
ГИДРАВЛИЧЕСКАЯ СИСТЕМА 533-9-62-19-000-5К 254

ООО "Трейдтрансгрупп" предлагает запчасти для спецтехники МКСМ
| Позиция на рисунке | Артикул | Наименование | Цена | |
|---|---|---|---|---|
| 7 | ЗТ18-15 | Рукав L=360+2,5 мм | дог. | |
| 5 | 533-9-62-19-286-1К | Трубопровод | дог. | |
| 8 | 533-9-62-19-294-1К | Трубопровод | дог. | |
| 1 | 533-0-62-19-1272-1К | Болт | дог. |
