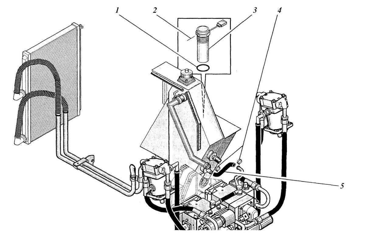
ГИДРАВЛИЧЕСКАЯ СИСТЕМА 533-9-62-19-000-5К 252

ООО "Трейдтрансгрупп" предлагает запчасти для спецтехники МКСМ

Позиция на рисунке Артикул Наименование Цена