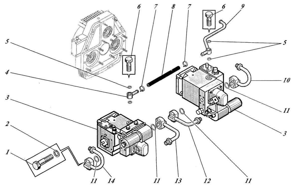
ГИДРАВЛИЧЕСКАЯ СИСТЕМА 533-9-62-19-000-5К 249

ООО "Трейдтрансгрупп" предлагает запчасти для спецтехники МКСМ
| Позиция на рисунке | Артикул | Наименование | Цена | |
|---|---|---|---|---|
| 3 | ИМРЦ 063234.016-02 или | Насос | дог. | |
| 3 | МКРН 063234.021 | Насос | дог. | |
| 10 | 533-9-62-19-343-2К | Трубопровод | дог. | |
| 12 | 533-9-62-19-348-ЗК | Трубопровод | дог. | |
| 13 | 533-9-62-19-358-ЗК | Трубопровод | дог. | |
| 14 | 533-9-62-19-353-2К | Трубопровод | дог. | |
| 9 | 533-9-62-19-1262-1К | Трубопровод | дог. |
