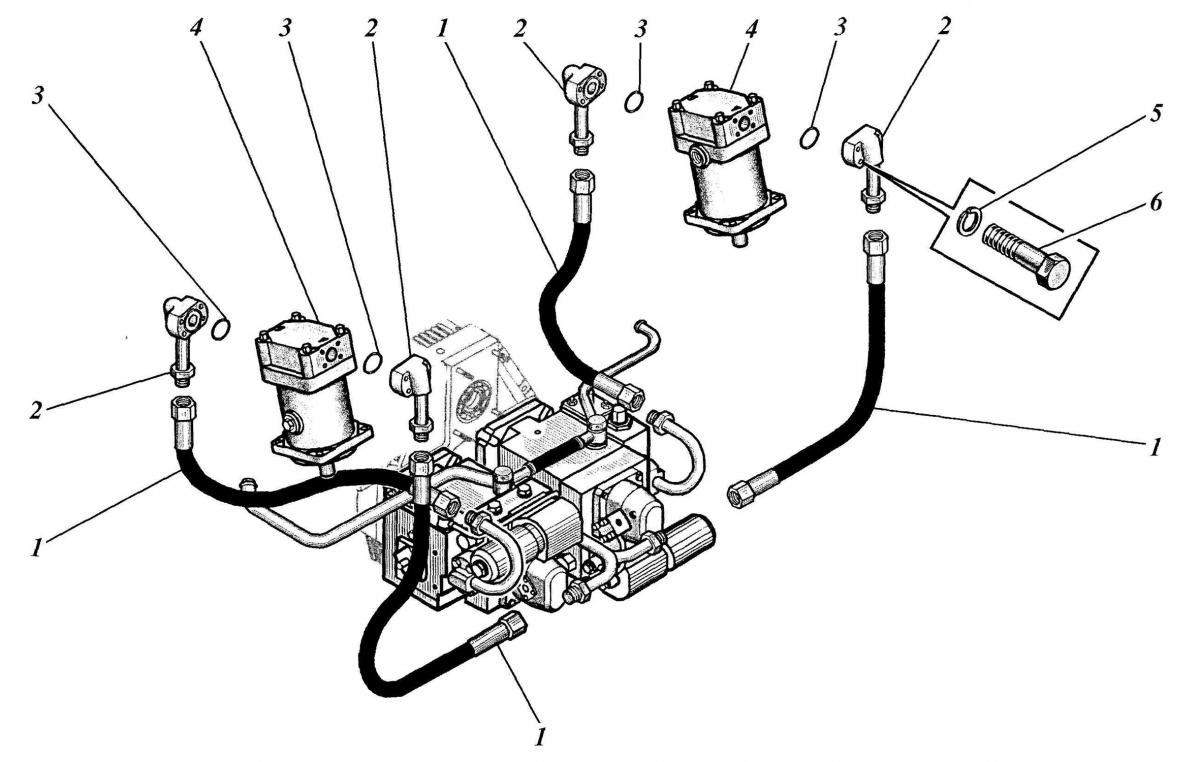
ГИДРАВЛИЧЕСКАЯ СИСТЕМА 533-9-62-19-000-4К-04; 533-9-62-19-000-6К; 533Н-19сб1 257

ООО "Трейдтрансгрупп" предлагает запчасти для спецтехники МКСМ
| Позиция на рисунке | Артикул | Наименование | Цена | |
|---|---|---|---|---|
| 4 | НПЗЗЛШ | Гидронасос | дог. | |
| 4 | НПА-ЗЗР-Л-С2-Д1-УХЛ2 | Гидронасос | дог. | |
| 2 | 533-9-62-19-807-2К | Трубопровод | дог. |
