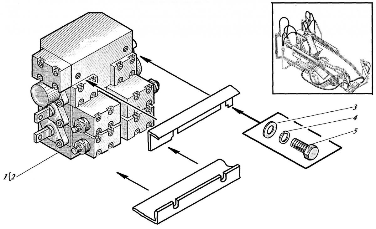
ГИДРАВЛИЧЕСКАЯ СИСТЕМА 533-9-62-19-000-4К-04; 533-9-62-000-6К; 533Н-19сб1 239

ООО "Трейдтрансгрупп" предлагает запчасти для спецтехники МКСМ
| Позиция на рисунке | Артикул | Наименование | Цена | |
|---|---|---|---|---|
| 1 | 533-9-62-19-004-1К | Распределитель | дог. | |
| 2 | RSK 16T3 РТР 33909 156/89 или | Распределитель | дог. |
