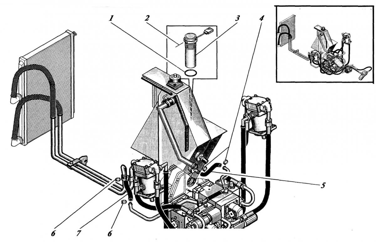
ГИДРАВЛИЧЕСКАЯ СИСТЕМА 533-9-62-19-000-4К-04; 533-9-62-000-19-000-6К; 533Н-19сб1 251

ООО "Трейдтрансгрупп" предлагает запчасти для спецтехники МКСМ