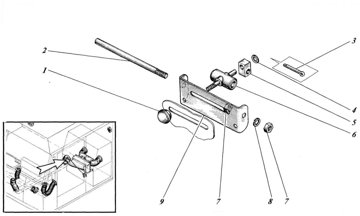
БЛОК УПРАВЛЕНИЯ ТМ140-71-сб123 178

Купить запчасти для БЛОКА УПРАВЛЕНИЯ ТМ140-71-сб123 178 вы можете в компании ООО «ТрейдТрансГрупп». Запчасть подходит для спецтехники ТМ 140 и обеспечивает стабильную работу даже при высокой нагрузке. Предлагаем качественные комплектующие, помощь в подборе и доставку по всей России.
| Позиция на рисунке | Артикул | Наименование | Цена | |
|---|---|---|---|---|
| 1 | 10.03.301 | Шарик | дог. | |
| 2 | ТМ140-71-58 | Ось | дог. | |
| 5 | ТМ 140-71-60 | Серьга | дог. | |
| 6 | ТМ 140-71-59 | Толкатель | дог. | |
| 9 | ТМ 140-71-57 | Кронштейн | дог. |
