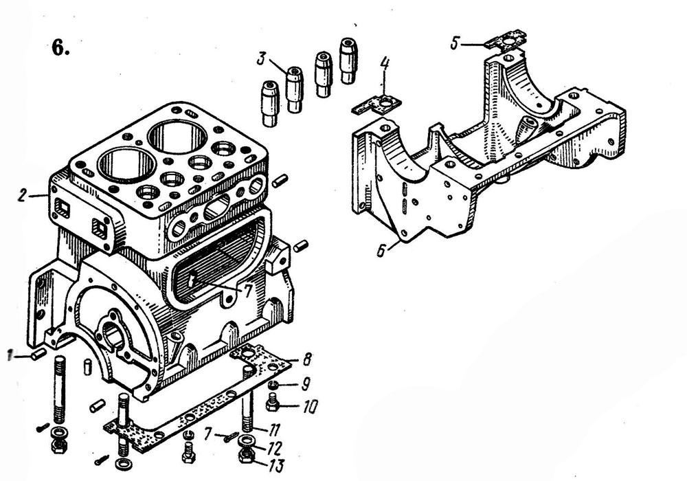
Блок-картер

ООО "Трейдтрансгрупп" предлагает запчасти для спецтехники Т-170 Б10
| Позиция на рисунке | Артикул | Наименование | Цена | |
|---|---|---|---|---|
| — | 17-01-111СП | Блок-картер | дог. | |
| — | 17-01-112-lСП | То же | дог. | |
| 12 | 01207 | Шайба | дог. | |
| 3 | 1504 | Втулка клапана | дог. | |
| 11 | 2999 | Шпилька | дог. | |
| 4 | 40302 | Прокладка | дог. | |
| 5 | 40303 | — | дог. | |
| 8 | 40304 | — | дог. | |
| 2 | 17-01-1-2 | Блок | дог. | |
| 6 | 17-01-102 | Поддон | дог. |
