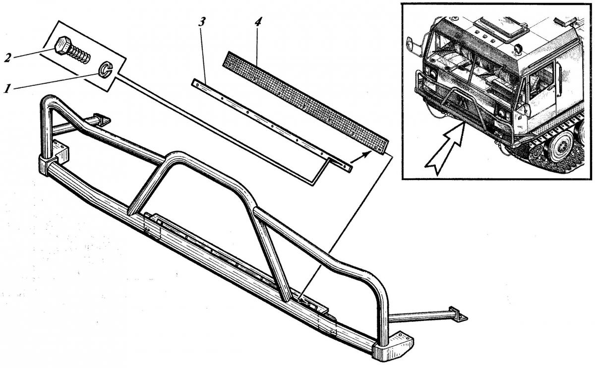
БАМПЕР ТМ140-50-сб133 19

Купить запчасти для БАМПЕРА ТМ140-50-сб133 19 вы можете в компании ООО «ТрейдТрансГрупп». Запчасть подходит для спецтехники ТМ 140 и обеспечивает стабильную работу даже при высокой нагрузке. Предлагаем качественные комплектующие, помощь в подборе и доставку по всей России.
| Позиция на рисунке | Артикул | Наименование | Цена | |
|---|---|---|---|---|
| 3 | ТМ140-50-410 | Планка | дог. | |
| 4 | ТМ140-50-409 | Лист | дог. |
